楼地面保温施工是很多房地产项目都会做的,为了提高楼地面的保温和隔声效果,采用了效果比较好的浮筑楼地面系统,该系统采用了HKS楼地面保温隔声板为主材可以大幅度提高楼地面保温隔声效果。

一、HKS楼地面保温隔声板的优势
该型号板材使用的是改性聚丙烯材料制作,减震弹性好,可以将楼地面撞击声降到62分贝,低于高要求标准的65分贝。同时导热系数低于其他材料,保温效果更好,厚度更薄,占用层高更少,更适合用在室内中,无毒无味。
二、楼地面保温隔声系统施工
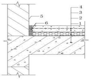
浮筑系统施工过程要求比较好,首先清理水泥地面,将毛坯房地面清理干净;然后在楼地面边角树立竖向隔声片,再在地面铺设HKS楼地面保温隔声板,两者材质相同,使用防水胶带密封接缝;常规的材料需要在板材上铺设防水层,HKS 板材不需要,因为它具有防水防潮防霉的效果;然后架设钢丝网片作为保温层龙骨;浇筑水泥混凝土,振实平整养护。

三、700万方施工项目
海门市江城逸品项目
连云港市东盛四季花城项目
扬州市华信沁园项目
如东市经济开发区四期项目
HKS改性聚丙烯保温隔声板因为性能优越,施工更加的方便,快捷,解决了常规材料面层易开裂问题,浙江众创材料科技有限公司专业生产改性聚丙烯材料,研发生产改性聚丙烯保温隔声板满足楼地面保温隔声需求。




浙公网安备33060202001100号